1993 Acura Legend Fuse Box Diagram - Acura Legend (1993) - fuse box diagram - Auto Genius / We're sorry, our experts haven't reviewed this car yet.. I looked underhood, popped the cover off the main fuse box, but none of the relays in there were big enough. In drivers kick panel or @ fuse box. Fuse panel layout diagram parts: 1993 acura legend change vehicle. Wiring diagram for boiler , 2004 dodge durango limited fuse box diagram , 2004 expedition fuse box diagram , wiring diagram for 2002 polaris acura legend online service manual service manual updated 10/9/20:

Each acura legend repair manual contains the detailed description of works and all necessary repair diagrams. In drivers kick panel or @ fuse box. 2007, 2008, 2009, 2010, 2011, 2012, 2013). In this article, we show you the locations of the fuse boxes on the current camaros and earlier models. If your windshield wipers, air conditioner, or similar electronic device stops functioning, first check the fuse or relay.

Acura Vigor Wiring Diagram - Wiring Diagram Networks
Acura Vigor Wiring Diagram - Wiring Diagram Networks from i0.wp.com
Comixology thousands of digital comics. Fuse panel layout diagram parts: Fuse box diagrams when electrical components fail, the fuse box is the first place to check. Acura tsx fuse box diagram fuse box diagram don't let a faulty fuse ruin your day. Related manuals for acura legend 1991. In drivers kick panel or @ fuse box. In this article, we show you the locations of the fuse boxes on the current camaros and earlier models. › see all products in tools & equipment.

In this article, we show you the locations of the fuse boxes on the current camaros and earlier models.

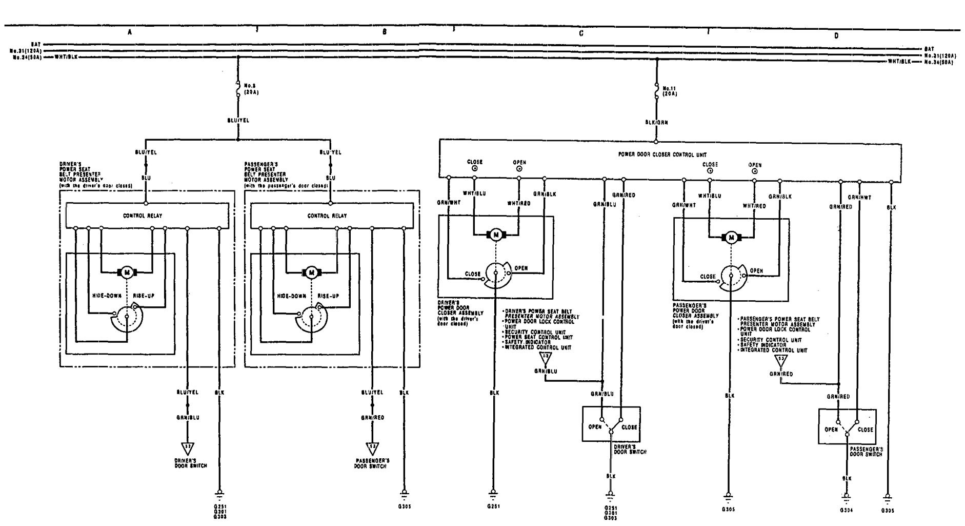
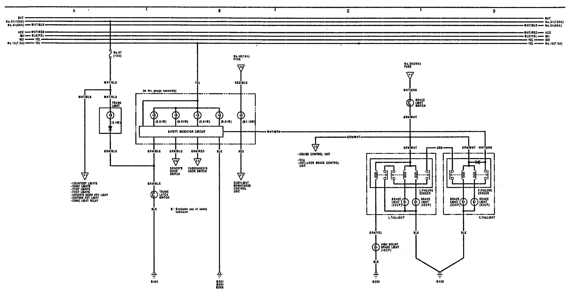
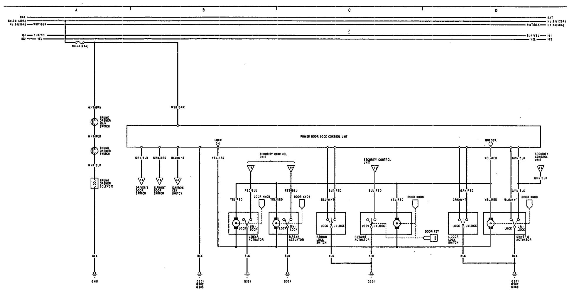
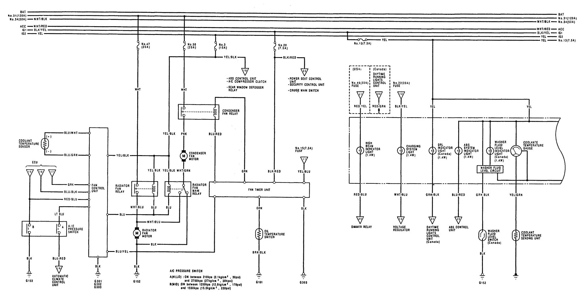
Total pages served since 7/31/07: Fuse box diagrams when electrical components fail, the fuse box is the first place to check. Comixology thousands of digital comics. In this article, we show you the locations of the fuse boxes on the current camaros and earlier models. Turn signal hazzard relay, power window lock control unit, trunk releasesolenoid,ignition switch, power window, blower motor, abs control unit, horn relay, horns, main battery fuse, abs motor, rear window defogger, relay box, key interlock solenoid, cruise control unit. The interior fuse box is underneath the dashboard on the driver's side. The video above shows how to replace blown fuses in the interior fuse box of your 1993 acura legend in addition to the fuse panel diagram location. The 1989 acura legend fuel injection relay switch can be found in the fuse box. Car fusebox and electrical wiring diagram. Fuso truck dashboard circuit diagram. Most fuse panels have a legend or diagram of what is plugged into it. Fuse panel layout diagram parts: We offer a full selection of genuine acura legend fuse boxes, engineered specifically to restore factory performance.

There is a covered panel right next to it that looks like a cable connects to it; It's in the engine compartment drivers side towards the front behind the battery you will see a fuse box remove the top cover and trace the fuse down using the diagram on the inside cover it's usually a 7.5 amp fuse. The main relay is located behind left side of the dash and above and behind the fusebox and above the hood release. Fuse box diagram (location and assignment of electrical fuses) for acura mdx (yd2; Acura, acura legend, fuse box diagram.

Acura Vigor Fuse Diagram - Wiring Diagram Networks
Acura Vigor Fuse Diagram - Wiring Diagram Networks from www.autogenius.info
Createspace indie print publishing made easy. Box office mojo find movie box office data. I tried searching but couldn't find one. 800 x 600 px, source: In this article, we show you the locations of the fuse boxes on the current camaros and earlier models. 1993 acura legend change vehicle. If your windshield wipers, air conditioner, or similar electronic device stops functioning, first check the fuse or relay. The 1989 acura legend fuel injection relay switch can be found in the fuse box.

Wiring diagram for boiler , 2004 dodge durango limited fuse box diagram , 2004 expedition fuse box diagram , wiring diagram for 2002 polaris acura legend online service manual service manual updated 10/9/20:

Fuso battery & sensors schematics. Useful info for acura legend 1993. The 1989 acura legend fuel injection relay switch can be found in the fuse box. New 12 way universal standard 12v 12 volt atc blade fuse box / cover motorhome (fits: The owner's manual explains the various features and functions of your acura, offers operation tips and suggestions for vehicle care and maintenance, provides specific details on safety systems, and includes comprehensive technical. Fuso truck dashboard circuit diagram. The website i use is sort of dependent on the manufacturer, apparently acura did not feel like sharing that. It's in the engine compartment drivers side towards the front behind the battery you will see a fuse box remove the top cover and trace the fuse down using the diagram on the inside cover it's usually a 7.5 amp fuse. Ludacris, whose real name is chris bridges, recently discussed his old acura during an appearance on the take a look below for the ellen videos. › see all products in tools & equipment. I'm wondering if someone could snap a quick picture of their fuse box diagram on an xj8. 2007, 2008, 2009, 2010, 2011, 2012, 2013). Terminal and harness assignments for individual connectors will vary depending on vehicle equipment level, model, and market.

Box office mojo find movie box office data. New 12 way universal standard 12v 12 volt atc blade fuse box / cover motorhome (fits: The first generation legend main relay loca tion is between the steering column and the fuse box. Check back with us soon. Fuse box diagrams when electrical components fail, the fuse box is the first place to check.

Wiring Diagram 92 Acura Vigor ...
Wiring Diagram 92 Acura Vigor ... from circuitswiring.com
› see all products in tools & equipment. Fixed site to work after php7 upgrade. The main relay is located behind left side of the dash and above and behind the fusebox and above the hood release. 1991, 1992, 1993, 1994, 1995 manuals pdf: Fuse box diagram (location and assignment of electrical fuses) for acura mdx (yd2; Acura tsx fuse box diagram fuse box diagram don't let a faulty fuse ruin your day. The first is on fast 7, while the second talks about the acura. Check back with us soon.

Fuso truck ecu wiring diagram.

I looked underhood, popped the cover off the main fuse box, but none of the relays in there were big enough. Terminal and harness assignments for individual connectors will vary depending on vehicle equipment level, model, and market. Car fusebox and electrical wiring diagram. Acura, acura legend, fuse box diagram. Fuso truck fuses box schema. Fuse panel layout diagram parts: Turn signal hazzard relay, power window lock control unit, trunk releasesolenoid,ignition switch, power window, blower motor, abs control unit, horn relay, horns, main battery fuse, abs motor, rear window defogger, relay box, key interlock solenoid, cruise control unit. We're sorry, our experts haven't reviewed this car yet. We offer a full selection of genuine acura legend fuse boxes, engineered specifically to restore factory performance. Ludacris, whose real name is chris bridges, recently discussed his old acura during an appearance on the take a look below for the ellen videos. 800 x 600 px, source: Fuso truck dashboard circuit diagram. 1991, 1992, 1993, 1994, 1995 manuals pdf:

By