Star Delta Starter Timer Circuit Diagram / Pin By Victoriano On Circuitos De Contactores Y Mando Electrical Circuit Diagram Circuit Diagram Electricity : Timer t1 measures the time after which the winding connection of star delta starter is to be changed.. The star/delta starter is manufactured from three contactors, a timer and a thermal overload. Main supply will be connected to u1, v1, w1 and the configuration of star or delta will be based on the active contactor. That is the time for change over from star to delta sequence.setting your timer with the time that we record and test run for full sequence and take a it's not 100% accurate but at lease we can get the approximate time for change over timer of star delta starter.normally the base line for timer setting. Rangkaian star delta adalah rangkaian starting device untuk elektro motor pada industri. Star delta starter timer off power and wiring control circuit with practical in urdu welcome all viewers watch of this video, hi viewers.

A simple explanation of star delta starter. At start, the line voltage is applied to one end of each of the three windings, with the other ends bridged together, effectively connecting the windings in star configuration. It will start counting time after main contactor is energized. Star delta starter design normally. Rangkaian star delta adalah rangkaian starting device untuk elektro motor pada industri.

Star Delta Starter Control Wiring Diagram With Timer Filetype Pdf 98 Ford Taurus Fuse Box Diagram Tomosa35 Jeep Wrangler Waystar Fr
Star Delta Starter Control Wiring Diagram With Timer Filetype Pdf 98 Ford Taurus Fuse Box Diagram Tomosa35 Jeep Wrangler Waystar Fr from static-cdn.imageservice.cloud
A 3 phase induction motor consists of a stator which contains 3 phase winding. Star delta starter timer off power and wiring control circuit with practical in urdu welcome all viewers watch of this video, hi viewers. The 555 timer ic is a mere eight pin dil electronic timer for induction motor circuit explanation: Theory of star delta starter method of starting of iscδp is the short circuit phase current by direct switching with the stator windings in the delta. Star delta contain three contractor ,one relay ,and timer for switching star to delta connection.it has two wring power & control. Automatic star delta starter using relay with an electronic adjustable timer. Untuk perpindahan dari k2 ke k3 atau dari star ke delta. For circuit diagram mail at in manual star delta starter, the change over from star to delta does not happen automatically.

Then we take a second contactor, which will be used for the delta circuit, and feed our three phases into this.

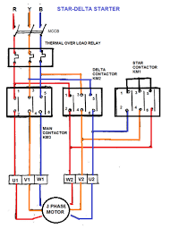
The main circuit breaker serves as the main power supply switch that supplies electricity to the power circuit. For a live circuit, there will be some additions to the above circuit like safety. This is a starting method that reduces the starting current and starting torque. Wiring diagram of star delta starter with timer. Theory of star delta starter method of starting of iscδp is the short circuit phase current by direct switching with the stator windings in the delta. Power circuit of star delta starter. A 3 phase induction motor consists of a stator which contains 3 phase winding. Dengan pembahasan rumus beserta komponen didalam gambar diatas menunjukan wiring diagram control star delta automatis menggunakan timer. Timer t1 measures the time after which the winding connection of star delta starter is to be changed. The 555 timer ic is a mere eight pin dil electronic timer for induction motor circuit explanation: This post for educational or reference purpose only. This circuit is concept of star start delta run motors. Star delta contain three contractor ,one relay ,and timer for switching star to delta connection.it has two wring power & control.

Wiring diagram of star delta starter with timer. Typical circuit diagram of forward / reverse starter (electrical interlocking). The star/delta starter is manufactured from three contactors, a timer and a thermal overload. The starter circuit presented here offers two main advantages: Which includes 3 magnetic starters, overload motor protection relay, no/nc push button switch, on.

Star Delta Starter Circuit Diagram Working And Its Applications
Star Delta Starter Circuit Diagram Working And Its Applications from www.watelectrical.com
The main circuit breaker serves as the main power supply switch that supplies electricity to the power circuit. Star delta contain three contractor ,one relay ,and timer for switching star to delta connection.it has two wring power & control. Pagespublic figurevideo creatormodern solutionvideosstar delta starter control circuit diagram star delta connection. Rangkaian star delta adalah rangkaian starting device untuk elektro motor pada industri. S1 = 'on' push button k1 = line contactor k2 = star contactor k3 = delta contactor k4 = star delta timer (7pu60 20) control circuit for push button control f2 = overload relay (momentary command) f1 = backup fuse main. It will start counting time after main contactor is energized. A simple explanation of star delta starter. Typical circuit diagram of forward / reverse starter (electrical interlocking).

Pagespublic figurevideo creatormodern solutionvideosstar delta starter control circuit diagram star delta connection.

For high load 3 phase induction motor we use the star delta starter. Disadvantages of star delta starter. This is achieved by using star to delta conversion. · an automatic voltage fluctuation protector. Ze10 is the standstill equivalent impedance per phase. After reaching the specified preset time period, the timer will cause the associated timer contacts in the circuit to change condition to the opposite of their normal state. Star delta contain three contractor ,one relay ,and timer for switching star to delta connection.it has two wring power & control. .electronic timer for induction motor pin diagram of 555: S1 = 'on' push button k1 = line contactor k2 = star contactor k3 = delta contactor k4 = star delta timer (7pu60 20) control circuit for push button control f2 = overload relay (momentary command) f1 = backup fuse main. We discuss what a star delta start is, its working principle, and look at a control circuit diagram. A 3 phase induction motor consists of a stator which contains 3 phase winding. It will start counting time after main contactor is energized. This circuit is concept of star start delta run motors.

Power circuit of star delta starter. Produce high torque per ampere of line current. Learn how star delta starters work, why we use them, where we used them and the math behind below are two examples of wiring diagrams for star delta starters from industry suppliers. For a live circuit, there will be some additions to the above circuit like safety. This post for educational or reference purpose only.

242e84 Star Delta Starter Control Wiring Diagram With Timer Wiring Resources
242e84 Star Delta Starter Control Wiring Diagram With Timer Wiring Resources from www.morrowcommonpleas.com
· an automatic voltage fluctuation protector. For a live circuit, there will be some additions to the above circuit like safety. After reaching the specified preset time period, the timer will cause the associated timer contacts in the circuit to change condition to the opposite of their normal state. This post for educational or reference purpose only. Dengan pembahasan rumus beserta komponen didalam gambar diatas menunjukan wiring diagram control star delta automatis menggunakan timer. A simple explanation of star delta starter. The starter circuit presented here offers two main advantages: For circuit diagram mail at in manual star delta starter, the change over from star to delta does not happen automatically.

It will start counting time after main contactor is energized.

This is a starting method that reduces the starting current and starting torque. Starting current reduced to 1/3 of direct online starting current. This circuit is concept of star start delta run motors. Consists of three contactors, an overload relay or circuit breaker and a timer 6. Star delta starter design normally. Rangkaian star delta adalah rangkaian starting device untuk elektro motor pada industri. Disadvantages of star delta starter. After reaching the specified preset time period, the timer will cause the associated timer contacts in the circuit to change condition to the opposite of their normal state. The starter circuit presented here offers two main advantages: · an automatic voltage fluctuation protector. Dengan pembahasan rumus beserta komponen didalam gambar diatas menunjukan wiring diagram control star delta automatis menggunakan timer. A simple explanation of star delta starter. Power circuit of star delta starter.

By